根据《中华人民共和国政府信息公开条例》(以下简称《条例》)有关要求,编写本报告。本报告数据来自全县编制发布政府信息公开年度报告的单位。报告中所列数据统计期限为2024年1月1日至12月31日。本年度报告可以在汤原县人民政府网站(https://www.tangyuan.gov.cn/)“政府信息公开年报”专栏下载。如对报告内容有疑问,请与汤原县政务公开办公室联系(地址:汤原县汤原镇振兴路中段;邮编:154700;电话:0454—7611401)。
一、总体情况
2024年,汤原县坚持以习近平新时代中国特色社会主义思想为指引,深入贯彻党的二十大和二十届二中、三中全会精神,紧跟党中央、国务院和省委省政府、市委市政府的步伐,积极推进新时代政务公开工作。紧密围绕全县中心工作大局,明确职责定位,统筹处理好政务公开与安全保密的关系,不断提升政务公开的内容质量和效果。
(一)主动公开方面。2024年,通过县政府门户网站发布信息2397条,充分发挥了政府网站作为政务公开主平台的作用。12家政务新媒体积极参与,发布信息5000余条,形成了政务新媒体矩阵的传播合力。同时,创新将政府门户网站与县域自主研发的 “政务全景交互数智人 - 小汤圆儿” 相结合,拓展了公众获取信息的渠道和方式。推动政务公开与招商引资工作协同发展,在政务服务大厅政务公开专区播放县域招商引资宣传片,展示政府工作效率与公正性,进一步提升政府工作透明度。
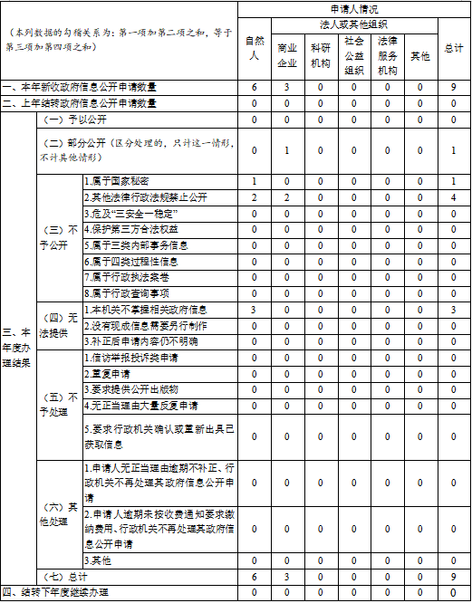
(二)依申请公开方面。2024年度共受理政府信息公开申请9件。按照《中华人民共和国政府信息公开条例》处理的政府信息公开9件。本年度有关政府信息公开事务的行政复议2件、未发生行政诉讼案。
(三)政府信息管理情况。一是规范内容与流程。严格规范公开内容,确保信息的准确性、完整性和合法性。完善发布流程,统一信息报送审批单格式,进一步强化信息发布审核制度,明确各环节责任,保障信息发布的质量。二是定期审查评估。建立定期审查评估机制,对公开信息进行全面梳理和检查,及时发现并纠正问题,确保信息的有效性和时效性。
(四)政府信息公开平台建设。一是构建立体化公开体系。做强政府网站主平台,优化网站功能和布局,提升用户体验。规范政务新媒体平台运营,加强管理和监督,确保信息发布的规范性和及时性。拓展多样化平台,如政务公开专区等,实现线上线下相融合,构建全方位、多层次的政务公开格局。二是形成网格化公开平台。以政府门户网站为 “火车头”,引领政务公开工作方向;以政务新媒体矩阵为 “助推器”,扩大信息传播范围,形成了网格化的公开平台,提高了政务公开的覆盖面和影响力。
(五)监督保障方面。一是规范管理与跟踪问效。坚持规范管理,建立健全政务公开各项制度,确保工作有序开展。加强跟踪问效,对政务公开工作进行实时监测和评估,及时发现问题并整改落实,提高工作质量和效率。二是积极接受社会监督。主动接受社会监督,通过多种渠道广泛听取公众意见和建议,不断改进工作。2024 年未发生政务公开责任追究事件,保障了政务公开工作的健康发展。
二、主动公开政府信息情况

三、收到和处理政府信息公开申请情况

四、政府信息公开行政复议、行政诉讼情况

五、存在的主要问题及改进情况
存在的主要问题:一是个别单位公开积极性不高,公开内容较为浅显,对群众普遍关心问题公开不足。二是个别单位公开理念不到位、公开内容不全面不深入,时效性不强,标准化规范化不够。
改进情况:一是完善信息分类与审核机制。优化政府信息分类体系,建立科学合理的信息目录,明确信息归属和发布层级,确保信息发布有序、规范。严格执行信息发布审核制度,明确审核责任,确保公开信息准确、完整、合法。二是建立信息纠错机制。建立信息纠错机制,及时发现并纠正错误信息,避免不良影响。加强对信息发布全过程的监督管理,保障信息质量。
六、其他需要报告的事项
2024年度,汤原县人民政府没有发生有关政府信息公开收费情况。
原文下载:
监审:
审核:
编辑: